THƯƠNG HIỆU VAN
Van bướm xi măng điều khiển điện
Mua hàng: 0965 241 836
THÔNG SỐ KỸ THUẬT
Lượt xem: 89728
Đánh giá 1 lượt đánh giá
Van bướm xi măng điều khiển điện là loại van bướm điều khiển điện thường dùng trong các hệ thống bột, xi măng được điều khiển tự động bằng điện giúp cánh bướm đóng mở khiến các lưu chất dạng rắn như bột xi măng, than bùn,... dễ dàng đi qua van. Van bướm xi măng điều khiển điện sử dụng bộ điều khiển điện hiện đại với các điện áp 24V, 220V đạt tiêu chuẩn IP68 giúp chống nhiễm điện và giúp phần cánh bướm trong thân van dễ dàng đóng mở. Van bướm xi măng điều khiển điện được ứng dụng trong các hệ thống sản xuất xi măng, bột, than, các hệ thống luyện kim, thủy, nhiệt điện,... sản phẩm được nhập khẩu chính hãng với giá thành tốt nhất thị trường hiện nay.
Tên gọi khác:

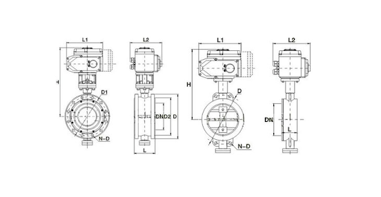
Phần thân van bướm xi măng có cấu tạo gồm thân van, trục van, đĩa và không cáo gioăng làm kín,... Các bộ phận được kết nối với nhau tạo thành phần van bướm được làm từ các chất liệu thép, nhựa, gang, inox,... và lắp đặt với các hệ thống đường ống theo kiểu lắp đặt mặt bích.
Phần bộ điều khiển điện được cấu tạo bằng các bảng mạch, dây dẫn, bánh răng, trục kết nối được lắp ráp thành bộ điện và sử dụng điện áp 24V, 220V giúp phần thân van bướm được điều khiển đóng mở một cách hoàn toàn tự động.

Van bướm xi măng điều khiển điện hoạt động theo nguyên lý tự động hóa, cấp điện vào bộ điều khiển điện, bộ điện sẽ biến đổi lượng điện năng từ bảng mạch thành cơ năng và giúp bánh răng chuyển động. Bánh răng được kết nối với trục làm trục xoay khiến cánh bướm hoạt động mở. Ngược lại khi ngắt nguồn điện hoặc cho van chạy hết hành trình thì cánh bướm sẽ tự động đóng.



Van bướm xi măng điều khiển điện có nhiều loại có các kích cỡ khác nhau, chất liệu khác nhau, kiểu loại khác nhau, xuất xứ khác nhau. Tương tự như dòng van bướm điều khiển điện với mỗi loại sẽ có mỗi giá thành khác nhau như kích cỡ lớn giá van cao, chất liệu nhựa rẻ hơn loại thép, ngoài ra thì số lượng càng nhiều thì giá thành cũng càng rẻ. Liên hệ ngay với chúng tôi để nhận được báo giá van bướm xi măng điều khiển điện ngay bạn nhé!
Nguồn: vanhanoi.com
Người gửi / điện thoại
CÔNG TY TNHH VẬT TƯ CÔNG NGHIỆP THUẬN PHÁT
Địa chỉ: Số 9/57/475 Nguyễn Trãi - Thanh Xuân - Hà Nội
VPGD: 205B - Cự Khê - Thanh Oai - Tp. Hà Nội
VPGD: Số 46N1 - Phố Đông Chiêu - P.Tân Đông Hiệp - Tx.Dĩ An - Tp.Bình Dương.
Thuận Phát là đơn vị uy tín hàng đầu khu vực trong lĩnh vực phân phối van công nghiệp chất lương cao, tự động hóa thông minh.
Đại Dương: 0965 241 836
Kế Toán: 0328 94 2662
Email: kien@cnthuanphat.com
Website: vanhanoi.com